

美國PushCorp機器人力控單元
西鈦珂RoboTool?工業機器人專用電主軸
西鈦珂RoboTool?機器人工具-Deburflex?系列機器人力
西鈦珂RoboTool?機器人工具-Deburflex?系列機器人力
西鈦珂RoboTool?機器人工具-Deburflex?系列機器人機
航空發動機整體葉盤和葉片拋光
機器人自動砂紙更換裝置
PUSHCORP博思高工業機器人偏心高速氣動打磨機
主軸增速器
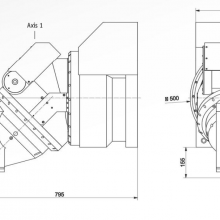
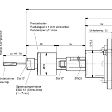
航空制造專用角度頭
角度頭
數控萬向連續分度銑頭
插槽插齒刀座
五軸擺頭|數控銑頭
旋風銑動力刀座
航空刀具
醫療骨科零件加工解決方案
航空制造應用解決方案
航空發動機和燃氣輪機葉片打磨拋光解決方案
西鈦珂角度頭加工案例: 卡車制動鉗底部加
1355200039
westec-sh
|關于我們|加入我們|International Inquiry|西鈦珂(上海)工業技術有限公司
( 滬ICP備12020441號-2 )
GMT+8, 2026-1-2 00:10 , Processed in 0.032912 second(s), 13 queries .
© 2012-2016 WESTEC (SHANGHAI)INDUSTRIAL TECH. CO.LTD., ALL RIGHTS RESERVED.